Opbouw, blokschema en afregeling van het geheel

Dit is het forum voor het project "zelfbouw spectrum analyzer".
Forumregels
Dit is het forum voor het project "zelfbouw spectrum analyzer". Leden van de projectgroep hebben een extra subforum, maar daar worden geen technische zaken in besproken. Er kunnen geen leden meer toegelaten worden. Om die reden is alle informatie nu voor iedereen beschikbaar en kun je printen e.d. bestellen in de "Project winkel"
Gebruikersavatar
Tjalling PE1RQM
Forum beheerder
Forum beheerder
Berichten: 1091
Lid geworden op: 09 feb 2007, 22:13
Roepletters: PE1RQM
Locatie: Leusden
Contacteer:

Opbouw, blokschema en afregeling van het geheel

Ongelezen bericht door Tjalling PE1RQM »

Opbouw, blokschema en afregeling van het geheel:
AN-Overz-sht105.pdf
Bedradingsschema voor het aansluiten van de modules, potmeters en schakelaars.
(41.24 KiB) 2154 keer gedownload
Korte uitleg Analyzer PE1FOD 19 Juli 2009.pdf
Een korte uitleg van deze spectrum analyzer. De prijzen zijn mogelijk niet meer actueel (bovendien is daar niet alles in meegenomen).
(58.48 KiB) 2317 keer gedownload
Plank met testopstelling
Plank met testopstelling
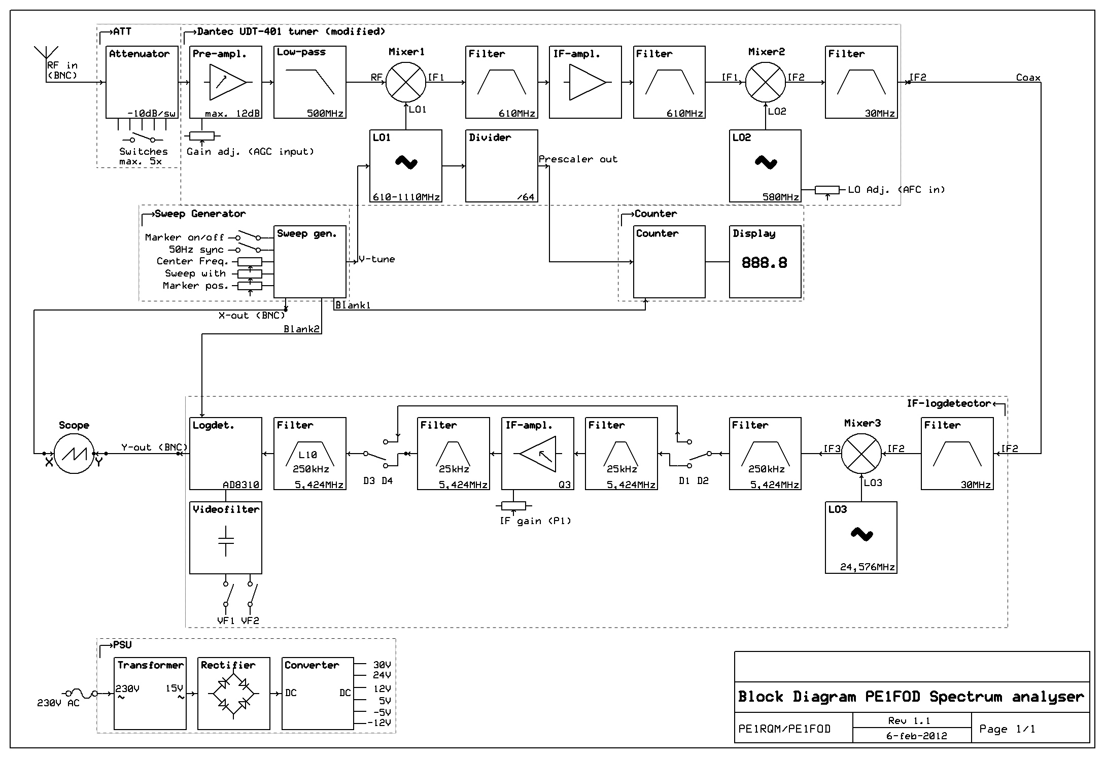
Blokschema van de spectrum analyzer, ideaal om deze analyzer wat beter te begrijpen (ook voor het afregelen)
Blokschema van de spectrum analyzer, ideaal om deze analyzer wat beter te begrijpen (ook voor het afregelen)
Download: Afregelen sweep generator
___________________________________________________________________________________________________


Nu alle modules zijn verspreid en de eerste bouwers al klaar zijn met deze modules, wordt het tijd om de boel op te bouwen en af te regelen. In deze topic zullen de komende weken informatie en tips worden toegevoegd.

Wat kan helpen zijn vragen van de bouwers zelf. Dus voor de afbouw en afregeling kun je hier je vragen stellen. Wil je juist vragen stellen over modules specifiek, gebruik dan de afzonderlijke topics daarvan:
(Hier staan alle schema's in een overzicht)

Het beantwoorden van de vragen kan wat onderzoek vergen, dus geef ons even de tijd. Stel je vragen bij voorkeur niet aan mij persoonlijk (in mijn mailbox), omdat anderen daar dan geen baat bij hebben. Ook tips zijn welkom, of gewoon leuke foto's van je bouwsel! Geef hieronder je reactie.
Gebruikersavatar
on1bes
.
.
Berichten: 31
Lid geworden op: 11 okt 2010, 23:34

Re: Opbouw en afregeling van het geheel

Ongelezen bericht door on1bes »

O.K. beste bouwers, hier gaan we dan. Mij werd gevraagd om deze topic te starten om wat duidelijkheid te krijgen over de verschillende afregelpunten. Ondertussen hangt hier bij mij alles samen "in vliegende opstelling", maar het plaatje op de scoop is niet wat ik ervan zou verwachten, in vergelijking met mijn ervaring met de "spectrum monitor" van Kent met een TV tuner. Ik krijg enkel een beeld met wat piekjes, dat eigenlijk niet mee beweegt met de tuner-afstemming. En eigenlijk zou er veel meer ruis uit de tuner te zien moeten zijn, en dat lijkt mij niet goed te zijn. De bouw van de verschillende modules , en ook de IDT Tuner, was niet echt een probleem. De sweepgenerator geeft mooi zijn zaagtandjes af op de scoop, dus zo op het eerste gezicht werkt dat allemaal. Vermits er nergens wat info over te vinden is, wou a.u.b. graag van iemand die al gebouwd heeft , een kort woordje over de verschillende afregelpunten:
1) De sweepgenerator
op wat let je als je de pometers insteld ?
- P1 = Hor. Shift ?
- P2 = Sweep Time ?
- P3 = Horiz. Out ?
- P7 = Blank 2 ?
2) De IF Module
wat doe je eerst, en hoe stel je volgende trim-pots in ?
- P1 = Set Gain 25Khz hoe dit instellen ?
- P2 = Set Ref Level hoe dit instellen ?
- P3 = Set 10dB/Div hoe dit instellen ?
Hoe regel je de 10.7 spoeltjes goed in ?
L2 -
L4 -
L10 -
Hoe stel je de 5 C-trimmers optimaal in ?
TC1 -
TC2 -
TC3 -
TC4 -
TC5 -
3) De Tuner instellingen
- zonder de AGC potmeter aangesloten komt er niet veel uit de tuner
- de AFC pot is niet direct nodig, vermits op de tuner er al een C en 2 weerstanden aanwezig zijn ?
- moet er nog gedraaid worden aan de externe schroef van de 2e oscillator op de tuner ??
4) De 50Hz sync TP11
naar AC 6V aansluiten, maar die is er nergens ??

Als je zelf al wat antwoorden hebt, worden die hier zeer op prijs gesteld.
p.s. Update :

Als test heb ik 2 soorten andere (echte) 3-bands TV tuners een keer aangesloten, in plaats van de IDT tuner, en die geven al hele mooie plaatjes. maar de afregel-vraagje blijven ! :wink:
huug
.
.
Berichten: 4
Lid geworden op: 07 dec 2009, 12:39

Re: Opbouw en afregeling van het geheel

Ongelezen bericht door huug »

HALLO bOUWERS IK HEB HEM OOK IN ELKAAR.
ALS DE VRAGEN VAN HERMAN ON1BES BEANTWOORD ZIJN.
KOMEN WE AL EEN HEEL EIND DENK IK.
MAAR MIJN COUNTER TEL NIET BLIJF KEURIG 390.0 IN HET DISPLAY STAAN.
TERWIJL DE AAN GEBODEN FREQ GOED IS.
MIJN VRAAG HOE ZIET HET BLANK SIGNAAL ER UIT.
WELKE JUMPER OP J2 EN OP J12.
IK HEB EEN 64 DELER IN DE TUNER.
IS ER OOK EEN MANIER OM DE COUNTER LOS TE TESTEN?.

GR. HUUG
Gebruikersavatar
Tjalling PE1RQM
Forum beheerder
Forum beheerder
Berichten: 1091
Lid geworden op: 09 feb 2007, 22:13
Roepletters: PE1RQM
Locatie: Leusden
Contacteer:

Re: Opbouw en afregeling van het geheel

Ongelezen bericht door Tjalling PE1RQM »

Caps lock vastgelijmd Huug? :)

Ik ga Timo mailen om alle vragen rustig na te gaan. Experimenteer intussen gerust, heel veel kan er niet kapot gaan en we hebben nog wel wat reserve onderdelen.
Ik had al een tussentijdse reactie ontvangen:
Ik zag op het forum dat je een begin gemaakt hebt met het afregelen.
De sweep print in het begin niet zo belangrijk, maar hij moet het natuurlijk wel doen.
Het IF is moeilijker vooral om dat je in het begin niks ziet.
Als je een signaal van 30MHz hebt dan is hij direct af te regelen.
Je kan ook alles aan sluiten (dan moet alles het ook doen) en dan de frequentie op 0MHz zetten.
Dit zou de counter moeten aangeven, dan komt de nul uit de tuner en dat is ook 30MHz.
En dit is een sterk signaal en ook goed om op af te regelen (bij gebrek aan beter natuurlijk).

Timo
Spoedig meer info! Ik ben ook pas net terug van vakantie...
Gebruikersavatar
on1bes
.
.
Berichten: 31
Lid geworden op: 11 okt 2010, 23:34

Re: Opbouw en afregeling van het geheel

Ongelezen bericht door on1bes »

Heeft er iemand een scoop-plaatje van wat je ziet het begin van het spectrum met de UDT Tuner ?
Kan ik dat tenminste vergelijken met wat ik heb. Voor Huug : de frequentie teller heb ik niet gemaakt, dus daar kan ik nog niet veel mee helpen. Ik ga dat doen met een LCD freq.meter. Maar dat blank signaal is hier op de scoop alvast een strakke lijn met heel smalle pulsen naar beneden. (ik heb wel een scoop-plaatje, maar zeer wazig - moet ik opnieuw doen.)
Het kan zijn dat je teller niet werkt, omdat je dat signaal niet hebt. Maar ik ken de bedoeling niet van dat blank signaal naar de teller ; dat zullen we aan Timo moeten vragen hoe dit zit. Ik heb er ook een 64 deler inzitten, maar krijg daar precies geen signaal uit de teller, dus dat moet ik nog verder uitzoeken. Maar normaal moet je teller ALTIJD een veranderende waarde weergeven, want die U664 is niet zo stabiel, en je waarde zal altijd wel wat schommelen. Een vaste waarde betekent dat er iets mis is met de (ingang van de) teller.
Herman
huug
.
.
Berichten: 4
Lid geworden op: 07 dec 2009, 12:39

Re: Opbouw en afregeling van het geheel

Ongelezen bericht door huug »

de tuner werkt bij mij wel Herman
prescaler uit,eerst ook niet bleek een chip condensator gebroken.
vernieuwd en het werkt.


gr huug
Gebruikersavatar
Tjalling PE1RQM
Forum beheerder
Forum beheerder
Berichten: 1091
Lid geworden op: 09 feb 2007, 22:13
Roepletters: PE1RQM
Locatie: Leusden
Contacteer:

Re: Opbouw en afregeling van het geheel

Ongelezen bericht door Tjalling PE1RQM »

Maandagavond gaan we even bijpraten. Hier zijn alvast wat afbeeldingen van Timo:
DSC01784a.jpg
SCR0001.PNG
SCR0002.PNG
Gebruikersavatar
Tjalling PE1RQM
Forum beheerder
Forum beheerder
Berichten: 1091
Lid geworden op: 09 feb 2007, 22:13
Roepletters: PE1RQM
Locatie: Leusden
Contacteer:

Re: Opbouw en afregeling van het geheel

Ongelezen bericht door Tjalling PE1RQM »

Herman, ik probeer eerst een beetje te verwoorden wat ik heb begrepen van de functie van de afregelpunten. Timo en ik hebben besloten om een uitgebreid afregel document te schrijven. Sommige punten zijn vrij lastig en ik denk dat een meetzender ook wel handig is. Maar eerst even wat tijdelijke informatie als opstapje. Neem me niet kwalijk als er nog een kleine fout in zit:
on1bes schreef:3) De Tuner instellingen
- zonder de AGC potmeter aangesloten komt er niet veel uit de tuner
- de AFC pot is niet direct nodig, vermits op de tuner er al een C en 2 weerstanden aanwezig zijn ?
- moet er nog gedraaid worden aan de externe schroef van de 2e oscillator op de tuner ??
AGC potmeter plaatsen met de loper op AGC, één kant op massa en andere kant op naastgelegen 24V punt. Neem een potmeter die niet te laag is in weerstand, om te voorkomen dat er onnodig veel stroom gaat lopen. 100k is mooi. Stel deze eerst af op maximaal. Aan het eind kun je de spectrum analyser wat meer lineair maken als de tuner iets gedempt wordt door de AGC iets terug te regelen. Dan is de tuner over het gehele frequentiebereik wat meer gelijk.

AFC stel je in op ongeveer 3 á 4 V. Gebruik gerust een spanningsdeler met twee weerstanden, zoals nu, maar de spanning moet iets omlaag, dus heb ik een potmeter met de loper aangesloten op dit AFC punt, andere kant aan massa en weer de andere kant op 5V. Nadat de AFC op ca. 3 tot 4V staat, regel je verder af met de stelschroef. Dit beinvloed ook de relatie tussen de center frequentie en wat de counter weergeeft. Wijkt de counter dus af, regel dan de AFC.
on1bes schreef:1) De sweepgenerator
op wat let je als je de pometers insteld ?
- P1 = Hor. Shift ?
- P2 = Sweep Time ?
- P3 = Horiz. Out ?
- P7 = Blank 2 ?
Hor shift P1 stel je steeds wat bij nadat je de 0 MHz paal in beeld ziet. Kijk op de counter tot daar ca. 000,0 MHz staat en regel de hor-shift zodanig af, dat de paal in het midden van de scoop staat. Het is een kwestie van balanceren, want andere potmeters beïnvloeden ook deze stand. Eigenlijk moet eerst de tuner en IF grof worden afgeregeldom überhaupt een paal te zien op 0 MHz (begin dan ook met die paal op 0 MHz), in plaats van een bult. In de tuner kunnen de twee inbus ferriet kernen worden afgeregeld en de AFC draai je ongeveer een halve centimeter in tot hij een mooie hogere vorm heeft. Deze kernen breken snel, dus voorzichtig met een goed passende (liefst kunststof) inbus afregelen zodat deze kring wat omlaag getrokken wordt (staat op 38MHz en moet nu 30MHz worden).

Sweep time (P2) stel je zodanig in, dat het beeld op de scope niet meer hinderlijk knippert. Te snel zorgt ervoor, dat de IF het niet meer bijhoudt, dus kies gewoon een comfortabele waarde (tegen de klok in is sneller).

Hor out (P3) regel je zodanig af, dat de het beeld qua breedte past in het scoop scherm.

P7 moet ik weer even nakijken.

De IF module is wat lastig, maar begin op 250kHz bandbreedte en regel eerst op de 0 MHz af (begin eerst met signaalsterkte en zorg dat de tuner al vrij optimaal staat), omdat daar die paal in beeld te zien moet zijn. Als de niveaus uit de tuner en IF wat hoger zijn, kun je omschakelen naar 25kHz en hopelijk zie je dan nog een klein paaltje. De meeste afregelpunten werken voornamelijk op deze 25kHz stand(TC1 ook op 250KHz). Set gain 25kHz is om de paal van 25kHz even hoog te laten zijn als in de 250kHz stand. Dat doe je dus pas aan het einde. Zet de potmeters eerst maar in het midden. P3 stel je ook pas aan het einde in. Dat moet je doen met een 10dB verzwakker. Verzwak je 10dB, moet dat één hokje zijn op de scoop. Dat calibreer je met die potmeter.

Belangrijk.... deze tekst is even gauw uit mijn mouw geschud en is nog niet echt compleet. Maar ik hoop dat je zo even een opstapje hebt, zodat wij wat tijd kunnen nemen in het schrijven van een document. Nogmaals... bovenstaande beweringen kunnen nog wat kleine foutjes bevatten.


:!: O ja, nog een foutje gevonden in het blokschema. De schakelaars op de IF (BW, VideoFilter1 en VideoFilter2) moeten niet naar ground worden geschakeld, maar naar een spanning tussen 5 en 12V (niet zo kritisch).
Gebruikersavatar
Tjalling PE1RQM
Forum beheerder
Forum beheerder
Berichten: 1091
Lid geworden op: 09 feb 2007, 22:13
Roepletters: PE1RQM
Locatie: Leusden
Contacteer:

Re: Opbouw, blokschema en afregeling van het geheel

Ongelezen bericht door Tjalling PE1RQM »

Ik heb mails verstuurd aan alle actieve bouwers, maar hoor helemaal niets terug vooralsnog. Ik ben daarom ook even bezig gegaan met andere projecten totdat ik een geschikte kast heb gevonden om deze spectrum analyzer in te bouwen. Die van mij draait al goed, alleen moet hij nog even aan de meetzender, om de laatste zaken af te regelen (10dB/div op scope, etc).

Ondanks dat het wat stil lijkt hier, kun je altijd je vragen kwijt. Ik kan er nog wel meer over schrijven, maar zonder feedback is dat wat lastig. Laat ajb ook weten als je denkt dat je er helemaal niet meer uitkomt. Wellicht kunnen we een keer met z'n allen op een locatie afspreken om de boel af te bouwen en af te regelen!
Testopstelling
Testopstelling
Gebruikersavatar
fred101
.
.
Berichten: 878
Lid geworden op: 08 jun 2007, 08:08
Roepletters: PA4TIM
Locatie: Waardenburg
Contacteer:

Re: Opbouw, blokschema en afregeling van het geheel

Ongelezen bericht door fred101 »

Hi Tjalling, ik heb je terug gemaild. Dan gaat er iets fout ben ik bang.
PA4TIM's opvangtehuis voor buizenbakken: Link
Gebruikersavatar
on1bes
.
.
Berichten: 31
Lid geworden op: 11 okt 2010, 23:34

Re: Opbouw, blokschema en afregeling van het geheel

Ongelezen bericht door on1bes »

hi Tjalling
Ik was even met vakantie. Maar alles staat hier nog in testopstelling net zoals bij jou.
De tuner en IF module is hier plaatselijk in de club al een keer met VNA en scoop afgeregeld.
Alles lijkt hier wel te werken, behalve de 25kHz bandfilter. Wat daarmee mis is daar heb ik geen idee van.
Maar nogmaals, Tjalling of Huug of Fred: wil er 1 van jullie eens een scoopplaatje posten van het begin van het spectrum met de UDT401 tuner ? Dan kan ik eens vergelijken wat ik eigenlijk hoor te zien. Die grote 'piek' aan het begin, weet ik nu ook al dat dat de 'nul' is, maar daarna gaat het bij mij mis, omdat daar paaltjes te zien zijn die er helemaal niet moeten zijn. Zelfs als ik de tuner naar de IF module afkoppel, blijven er een aantal staan. Als ik de voeding van de tuner afschakel, zijn ze eindelijk verdwenen. Waarschijnlijk is mijn tuner niet helemaal HF dicht, of is er instraling via de voeding of andere bedrading. Het probleem blijft, ook als ik de tuner met een aparte losse voeding van 24V aansluit. Met een andere tuner (bv een Philips TV tuner) heb ik dit probleem niet.
Dan nog een vraagje : heeft er iemand een oplossing om een LCD freq.meter te gebruiken, i.p.v. de te bouwen LED freq.meter ?
En een keer een samenkomst zou natuurlijk niet zo slecht zijn.
:wink: Herman
Gebruikersavatar
Tjalling PE1RQM
Forum beheerder
Forum beheerder
Berichten: 1091
Lid geworden op: 09 feb 2007, 22:13
Roepletters: PE1RQM
Locatie: Leusden
Contacteer:

Re: Opbouw, blokschema en afregeling van het geheel

Ongelezen bericht door Tjalling PE1RQM »

@Fred: Ik heb je bericht ontvangen hoor. Mijn bericht komt wat verkeerd over, hi. Ik wilde eigenlijk alleen maar bekend maken dat ik even met andere projecten aan de slag was gegaan. Ik zal je spoedig even terugmailen.

@Herman: Die piek op 0MHz kan ook een bult worden heb ik gemerkt:
20110820-_MG_8180.jpg
Het de AFC kan ik er ook een piek van maken. Ik weet eigenlijk niet zo goed wat het precies moet zijn. Zal ik aan Timo moeten vragen, maar die heeft even vakantie. Ik heb de AFC nu zo afgeregeld, dat de ontvangen frequentie in de center van je scoop ook overeenkomt met de frequentie op de counter. Of de 0 MHz nu een piek is, of een bult, het had niet veel invloed op de signaalsterkte van de normale signalen van 1 tot 480MHz. nou moet ik wel zeggen, dat mijn IF in de logdetector niet goed afgestemd kon worden. Mogelijk draait bij mij de LO in de tuner niet helemaal op 30MHz. Aan de andere kant ziet het spectrum er verder wel mooi uit. De signalen die ik zie zien er strak uit. Alleen heb ik nog wat brom in het beeld. Als je de sweep heel klein maakt (inzoomd op een signaal zeg maar), dan zie ik de draaggolf iets bibberen. Dat is normaal met FM, maar dit ziet er wat anders uit. Met het 50Hz sync ingeschakeld op TP11 in de sweep staat het dan ook stil.

Ik heb nog geen verklaring voor de spikes die je ziet. Als je de tuner van een externe 24V bron van spanning voorziet, heb je dan ook de MC34063a even losgekoppeld? Mogelijk staat die te sproeien. Heb je het extra filter geplaatst in de 24V lijn? Die kun je rustig dubbel uitvoeren, ook nog een keer bij de tuner. Maar dat is allemaal vrij LF, dus daar verwacht ik die spikes niet van. Wat is de frequentie van de eerste spike? Op ca. 30MHz zou de 2e LO van de tuner een beetje te zien kunnen zijn.

Waarom verder je 25kHz filter niet werkt, zou kunnen komen door een wikkelfoutje in één van de spoelen, of een defecte FET. Of één van de 20pF trimmertjes is stuk. Dat had ik althans wel bij één.

Ik ga spoedig weer verder met mijn model. Dan kom ik waarschijnlijk met veel nieuwe bevindingen! Eerst even een 6cm ATV zend/ontvanger afmaken.
Gebruikersavatar
on1bes
.
.
Berichten: 31
Lid geworden op: 11 okt 2010, 23:34

Re: Opbouw, blokschema en afregeling van het geheel

Ongelezen bericht door on1bes »

Oo, dat is nu net het beeld dat ik niet verwachte.
Hieronder het plaatje dat ik heb, met de grote piek aan het begin, dat is de nul, maar verderop zijn een hoop piekjes die er niet zouden mogen zijn. Eigenlijk is dit dus niet bruikbaar.
Begin van het spectrum
Begin van het spectrum
Met een markergenerator (losse frequentie DDS generator) kan ik wel zien waar ik ergens in het spectrum zit.
Na al die piekjes rechts wordt het een heel stuk rustiger. Maar ik zit dan al rond de 400MHz.
Ik heb ook soms die "bult" aan het begin of de "nul" lijn als de tuner zijn "kuren" heeft :
Die grote piek rechts is van een frequentie-generator van mij.
Begin spectrum met "bult"
Begin spectrum met "bult"
Ik heb ook een paar sfeerbeeldjes met b.v. een Mitsubishu TV-tuner gemaakt :
(de plaatjes zijn wel wat onscherp-volgende keer beter)
1) De FM omroep-band (tuner op band-III) is heel mooi te zien :
De FM Radio-omroep band
De FM Radio-omroep band
2) 3 DVB-T zenders in mijn buurt (tuner op band UHF)
3 DVB-T zenders op 1 km
3 DVB-T zenders op 1 km
Band-I was defekt op deze tuner.
on1bes
Gebruikersavatar
Tjalling PE1RQM
Forum beheerder
Forum beheerder
Berichten: 1091
Lid geworden op: 09 feb 2007, 22:13
Roepletters: PE1RQM
Locatie: Leusden
Contacteer:

Re: Opbouw, blokschema en afregeling van het geheel

Ongelezen bericht door Tjalling PE1RQM »

Dat ziet er raar uit Herman. Althans, die bult en die piekjes. Staat er misschien iets te oscilleren in je tuner? En wat is de frequentie van de eerste piek? Lijken de andere pieken daar harmonischen van? Zou je ook eens willen controleren of de frequentie van een bekend signaal (meetzender ofzo) in de center van je scoop op de counter van de analyzer niet teveel afwijkt? Heb je spanningen aangelegd op de AGC en AFC aansluitingen van de tuner, zoals in het tuner topic genoemd is?

Mocht je tuner echt kapot wezen, kan het wellicht handig wezen om te weten dat ik nog wat reserve heb. Een Toshiba en een Dantec tuner. Beide met ongeveer dezelfde eigenschappen. Alleen de Dantec heeft een preamp extra geloof ik.
Misschien staat trouwens die eerste preamp wel te oscilleren. We hebben bij het ombouwen 1nF C-tjes geplaatst. Vervang die eventueel voor SMD varianten en kijk eens wat er dan gebeurt. Of verwijder eerst eens je 1nF C-tjes. De lagere frequenties komen even wat minder door, maar gewoon voor de test?

Ben benieuwd!
Gebruikersavatar
fred101
.
.
Berichten: 878
Lid geworden op: 08 jun 2007, 08:08
Roepletters: PA4TIM
Locatie: Waardenburg
Contacteer:

Re: Opbouw, blokschema en afregeling van het geheel

Ongelezen bericht door fred101 »

Vandaag een mooi frontje gemaakt. Helemaal geprint, gelamineerd en toen op het aluminium gelijmd. Gaten had ik al met een proefdruk voorgeboord. Zag er perfect uit. Alles er op gemonteerd wil ik al wat aansluitingen maken, dacht ik aan de opmerking dat er een schakelaar aan plus moest ipv massa. Schema erbij, niks te vinden. Alle pdf's en plaatjes erbij gepakt. Blijk ik een oud blokschema te hebben uitgeprint :devilish: . Nu moeten er nog 3 potmeters AFC, Gain, IF-Gain en en twee schakelaars (videofilter) bij. Geen idee waar ik die moet laten want er zitten al 5 potmeters op het frontpaneel. Ik gebruik grof en fijnafstemming. De 10 slag 50K als grof en daarmee in serie een 1K tienslag voor Fc en zo de 50K en een 300 ohm gewoon voor de marker. Ik heb nog mini potjes (1cm diameter) ik hoop in de juiste waarden. Alleen janmmer van het uiterlijk, wordt het toch weer een typisch "Fred" project qua uiterlijk.
PA4TIM's opvangtehuis voor buizenbakken: Link
Plaats reactie

Terug naar “Project "zelfbouw spectrum analyzer"”